联系我们
For More Information Call
0577-61615222 62791999
箱变、成套设备
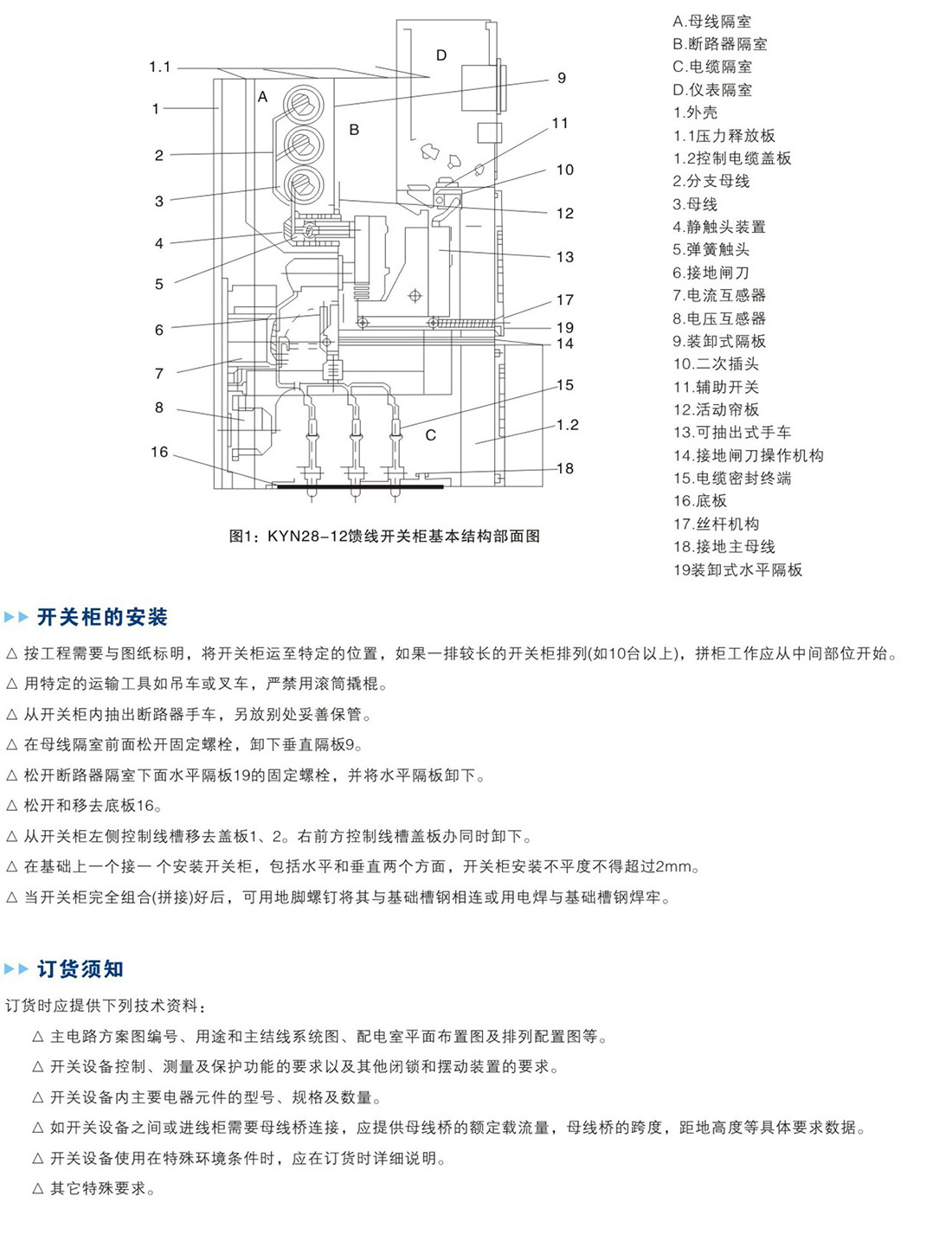
产品名称:KYN28-12铠装移开式交流金属封闭开关设备

打印当前页
放入收藏夹


