联系我们
For More Information Call
0577-61615222 62791999
一、概述
1、 产品名称、主要用途及其适用范围
本说明书适用于型号为KKSG-(10-3150)/10(6、3.3)矿用干式变压器。
KKSG-□/10(6、3.3)系列矿用干式变压器是具有IP21以上及防护等级外壳且可配高低压开关联合使用的干式变压器。
以下无特殊说明统称为干式变压器。
2、 产品规格型号及其含义
矿用一般型干式变压器规格型号:
3、 产品执行下列标准:
GB/T12173-2008 矿用一般型电气设备
GB1094.11-2007 干式电力变压器
GB/T10228-2015 干式电力变压器技术参数和要求
JB/T3955-2006 矿用一般型电力变压器
GB4208-2008 机壳防护等级
GB/T17211-1998 干式电力变压器负荷导则
GB3836.1-2024 爆炸性气体环境用电气设备 第1部分:通用要求
GB3836.2-2024 爆炸性气体环境用电气设备 第2部分:隔爆型“d”
GB1094.l-2013 电力变压器第 1 部分 总则
GB16424-2006金属非金属矿山安全规程
GB20052-2024 电力变压器能将限定值及能效等级
4、 防护型式:箱壳防护
5 、安全标志:KA、KY
6、正常使用条件
干式变压器在下列条件下应能正常工作:
a) 海拔高度:不超过1500m、高海拔可定制;
b) 环境温度:-20℃~+40℃
c) 空气相对湿度不超过95%(+25℃时);
d) 在无破坏绝缘的气体或蒸汽环境中;
e) 用于无甲烷煤尘爆炸性的环境中。
二、技术参数
1、干式变压器基本参数见表1。
表1
型号 | 额定电压 | 联结组 标号 | 空载 损耗W | 负载 损耗(120℃)W | 空载 电流% | 短路阻抗 Uz % | |
高压10(6、3.3)kV | 低压V | ||||||
KKSG-50 | ±2×2.5% | 1140、693、400 | DY11或YD11 | 270 | 1000 | 2.0 | 4 |
KKSG-80 | ±2×2.5% | 370 | 1380 | 1.5 | 4 | ||
KKSG-100 | ±2×2.5% | 400 | 1570 | 1.5 | 4 | ||
KKSG-125 | ±2×2.5% | 470 | 1850 | 1.3 | 4 | ||
KKSG-160 | ±2×2.5% | 540 | 2130 | 1.3 | 4 | ||
KKSG-200 | ±2×2.5% | 620 | 2530 | 1.1 | 4 | ||
KKSG-250 | ±2×2.5% | 720 | 2760 | 1.1 | 4 | ||
KKSG-315 | ±2×2.5% | 880 | 3470 | 1.0 | 4 | ||
KKSG-400 | ±2×2.5% | 980 | 3990 | 1.0 | 4 | ||
KKSG-500 | ±2×2.5% | 1160 | 4880 | 1.0 | 4 | ||
KKSG-630 | ±2×2.5% | 1300 | 5960 | 0.85 | 6 | ||
KKSG-800 | ±2×2.5% | 1520 | 6960 | 0.85 | 6 | ||
KKSG-1000 | ±2×2.5% | 1770 | 8130 | 0.85 | 6 | ||
KKSG-1250 | ±2×2.5% | 2090 | 9690 | 0.85 | 6 | ||
KKSG-1600 | ±2×2.5% | 2450 | 11730 | 0.85 | 6 | ||
KKSG-2000 | ±2×2.5% | 3050 | 14450 | 0.7 | 6 | ||
KKSG-2500 | ±2×2.5% | 3600 | 17170 | 0.7 | 6 | ||
KKSG-3150 | ±2×2.5% | 5040 | 20900 | 0.6 | 8 | ||
注:负载损耗值和短路阻抗值为F级绝缘材料参考温度120℃时数值。 | |||||||
2、干式变压器的绝缘水平按表2规定。
表2
额定电压V | 额定短时耐受电压方均根值kV | 额定全波雷电冲击耐受电压(方均根值)kV | 试验时间S |
400 | 3 | — | 60 |
10000/6000 | 35/25 | 75/60 |
3、干式变压器绝缘等级及允许温升见表3。
表3
变压器额定容量kVA | 100-1250 |
绝缘耐热等级 | F |
绝缘系统最高温度℃ | 155 |
箱壳表面最高温升K | 79 |
温度监视报警温度℃ | 125±5℃ |
三、产品结构
矿用一般型干式变压器由单独的干式变压器、壳体和电缆组成一体,作为井下供、变电设备使用,即为矿用干式变压器,矿用一般型移动变电站用干式变压器即没有配备高低压开关时的中间箱壳部分,箱壳内装有变压器机芯,即绕组部分和铁心部分。
干式变压器的输入电压可适应额定电压+5%至-5%的线路电压。如果需要改变高压输入分接电压时,在确认变压器不带电的状态下,打开箱体上的高压接线盒盖,按表4改变高压分接板上的连接片位置。出厂时连接片一律在4-5,即额定输入电压10000V上。
表4
电压调整率 | 连接片位置 | 输入电压V |
+5% | 1-2 | 10500/6300 |
+2.5% | 2-3 | 10250/6150 |
额定 | 3-4 | 10000/6000 |
-2.5% | 4-5 | 9750/5850 |
-5% | 5-6 | 9500/5700 |
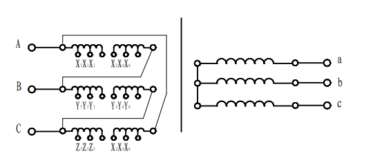
干式变压器可以用改变联结组别的方法变换输出电压,具体变换范围按表1干式变压器技术参数。在确认变压器“不带电”状态下,打开变压器低压侧箱盖或手孔盖,将低压连接片按图2示意图联结,即可得到相应的低压输出电压。
图2
高低压绕组的接线方式见图3:
图3
干式变压器箱壳用钢板焊接而成,主体侧面加通风孔,以增加散热面。干式变压器箱体下部有四个吊板,当吊起整机时必须同时使用。箱体下部设有滑靴。干式变压器箱体下部设有二个M12外接地螺栓,并有接地符号。
矿用一般型型干式变压器作为非煤矿供电系统中的电气设备,10kV(6kV)高压电往前一级高压配电装置输入到干式变压器一次侧带电,二次感应输出低电压,经独立使用的馈电装置供给设备使用。
四、外形尺寸及重量
10(6)kV级干式变压器(JB/T3955-2006标准)外形尺寸及重量见表5:
表5
型号
| 额定容量kVA | 外形尺寸 L×W×H(mm) | 变压器重量Kg |
KKSG | 50 | 1750×1500×1750 | 890 |
KKSG | 100 | 1750×1500×1750 | 1000 |
KKSG | 160 | 1750×1500×1750 | 1200 |
KKSG | 200 | 1750×1500×1750 | 1400 |
KKSG | 250 | 1750×1500×1750 | 1500 |
KKSG | 315 | 1750×1500×1750 | 1800 |
KKSG | 400 | 1750×1500×1750 | 1950 |
KKSG | 500 | 1750×1500×1750 | 2100 |
KKSG | 630 | 1750×1500×1750 | 2300 |
KKSG | 800 | 1750×1500×1750 | 2500 |
KKSG | 1000 | 1750×1500×1750 | 3000 |
KKSG | 1250 | 1750×1500×1750 | 3600 |
KKSG | 1600 | 2000×1600×2000 | 4000 |
KKSG | 2000 | 2000×1600×2000 | 4300 |
KKSG | 2500 | 2000×1600×2000 | 4900 |
KKSG | 3150 | 2000×1600×2000 | 5800 |
五、安装与调试
安装前对产品进行全面的检查和必要的电气试验
1、安装矿用干式变压器
(1) 安装场所
1.1 变压器要安装在距负荷中心较近的地点。
1.2变压器室的保护等级应符合IP20防护等级的要求。应防止腐蚀性气体和尘粒侵袭变压器。
(2 )安装基础
2.1 变压器的基础必须能承受变压器的全部质量。
2.2 变压器基础应符合国家建筑规范要求。
(3 )触电防护及安全距离
3.1 变压器安装设计必须符合人身安全要求,应确保变压器在运行时不可能被人所触及。带电体之间及带电体对地之间的最小安全距离应符合国家供用电规程的要求,此外还应保证电缆和高压线之间,温控线、风机线和高压线圈之间的最小安全距离。
3.2 为了便于安装和维护保养及值班巡视,变压器和墙壁之间必须留有通道。
3.3 相邻变压器之间必须留有大于1m的空隙(外限距离)。
绝缘性能
电压等级(kV) | 设备最高电压(kV) | 绝缘水平 | 安全距离(mm) | |
工频试验电压(kV) | 冲击试验电压(kV) | |||
≤1 | ≤1 | 3 | --- | 29 |
3.4 变压器的安装位置必须便于值班人员在安全位置观察、测量仪表。
(4)通风
4.1 变压器室内应有足够的通风设施,确保变压器因损耗产生的热量及时扩散出去。
4.2 冷却空气的要求,散发每千瓦损耗约需空气流量3m3/min,按其变压器损耗总值,确定通风量大小。
4.3 变压器应安装在离墙壁600mm以外的地方,以保证变压器周围空气的流动及人身安全要求。
4.4 进风口和出风口的栅栏或百叶窗不得减少对流的有效截面,进出风口
必须有防止异物进入的措施。
(5) 一般情况下,变压器无需用底脚螺栓安装,但有防震要求时,则要求按外形尺寸预埋底脚螺栓安装。
(6) 电力线路的连接
6.1 所有端子连接前,应熟悉试验报告及铭牌上的连接图,连接要正确。
6.2 电缆或母线排组成的连接线必须符合变压器运行规程及电气安装规程的规定,选择合适截面的电缆和母线排。
6.3 连接线不得在接线端子上产生过高的机械拉力和力矩。当电流大于1000安培时,母线和变压器端子之间必须有一段软联结,以补偿导体在热胀冷缩时产生的应力。
6.4 必须保证带电体之间及带电体对地之间的最小绝缘距离,特别是电缆至高压线圈之间的距离。
6.5 螺栓联接必须保证足够的接触压力,可使用蝶型垫圈或弹簧垫圈。
6.6 在接线之前,所有联结螺栓和接线板必须清洁。所有连接需紧固可靠。
6.7 高压线圈分接线引出端子,在连接时用力应均匀,严禁冲击力和弯折力作用在端子上。
(7) 接地
7.1 变压器下部有一接地螺栓,必须接入保护接地系统。
7.2 保护接地系统的接地电阻值和接地线的截面必须符合电气安装规程。
(8) 温控系统的安装和使用
8.1 由于产品配带了信号温度计,可实现故障、超温的声光报警以及超温自动跳闸和自动通断风机等功能。
8.2 产品出厂前已将信号温度计及铂电阻装好,并已完成了风机与信号温度计的接线即温度计超温报警和超温跳闸,风机自动起、停的温度值的设定。用户在安装时只需按信号温度计安装使用说明书或标识将电源接通,将报警信号线端接入即可。
温度值设定参考表
风机关 | 风机开 | 报警 | 跳闸 |
80℃ | 100℃ | 130℃ | 150℃ |
2、地面调试
(1)干式变压器在下井安装前,首先根据井下电源的高低情况,参照本说明书表3,将变压器高压输入分接端位置调整到合适的位置。
(2)干式变压器全电压空载投入时,可能产生涌流(冲击电流),涌流大小与线路电阻抗及合闸时电压瞬时值有关,一般不大于高压额定电流的5倍,涌流一般迅速衰减,有时候可能持续若干秒。
六、使用与操作
1、检查
1.1 外观,检查变压器线圈、高低压引线及连接,有无损坏或松动。
1.2 检查铭牌数据是否符合订货要求。
1.3 检查变压器外壳和铁心是否永久性接地。
1.4 检查温控装置和风冷装置是否齐全。
1.5 检查出厂试验报告是否齐全。
1.6 检查铁心、线圈上面是否有异物,气道是否有灰尘及异物。
1.7 运行前应用压缩空气将变压器线圈、铁心及气道吹刷干净。
1.8 检查温控线对各部距离,确认无误后,方可投入试运行。
2、试验
2.1 铁心绝缘电阻测试:
使变压器铁心暂时脱离上夹件(测量结束后恢复原状),用500V兆欧表测量(相对湿度≤85%)。
铁心-夹件及地≥5MΩ。
2.2 线圈绝缘电阻的测试(温度10℃-40℃,相对湿度≤85%),用2500V兆欧表测量,绕组对地绝缘电阻:
高压绕组对地 ≥1000MΩ
低压绕组对地 ≥1000MΩ
高压绕组对低压绕组 ≥1000MΩ
在比较潮湿的环境下,绝缘电阻会有所下降,一般地,若每1kV额定电压,其绝缘电阻不小于2 MΩ(1分钟25℃时的读数),即可满足运行要求。但在变压器严重受潮时,则不论其绝缘电阻如何,在进行耐压试验或投入运行之前,必须进行干燥处理。
2.3 直流电阻试验其不平衡率:相为4% ;线为2% 。
2.4 变压比试验:小于等于±0.5%。
2.5 外施工频耐压试验,耐压电压按出厂试验标准85% 。
2.6 对装有温控器的变压器进行工频耐压试验,试验前应将温控器上的所有探头抽出。
3、投入运行
3.1 温控器的首次投运:温控仪表在出厂时,已调整至变压器相应绝缘等级的控制温度,一般情况下无需重新调整,如需重新调整,应按温控仪表说明书规定操作。请参阅温控显示仪和温度控制箱(如有)的安装使用说明书,在温控和湿显调试正常后,先将变压器投入运行,后投入温控和湿显。
3.2 投入运行前,应使变压器在额定电压下空载合闸三次。
3.3 空载三次合格后,便可带负荷投入运行,所带负荷应逐渐增加。
3.4 空载合闸时,由于励磁涌流较大,要将过流和速断保护定值配合好。
3.5 变压器过负荷运行应按GB/T17211-1998(IEC905)《干式电力变压器负载导则》执行,并密切监视电压表、电流表、功率表和测温装置等表计,测定变压器有否发生异常,以便及时采取减荷措施,防止变压器严重过负荷。
3.6 运行中变压器发生异常声响或超温告警,应予重视并采取相应措施。
七、故障分析与检查
现象 | 故障 | 产生故障原因 | 检查方法 |
1.铁芯部分 | |||
空载损耗 增大 | 铁芯片间绝缘损坏 | 铁芯片间绝缘老化有内部损坏 | 进行外观检查,可用直流电压、电流法测片间绝缘电阻 |
信号回路 动作 | 铁芯局部短路和铁芯局部熔毁 | 铁芯式铁轭螺杆的绝缘损坏;故障处有金属件将铁芯片短路,片间损坏严重;接地方法不正确构成短路 | 进行外观检查,可用直流电压、电流法测片间绝缘电阻 |
当电压升高时,内部可能发生轻微放电声 | 接地片断裂 | 接地片松动、锈蚀 | 检查接地片 |
噪音异常 | 运行噪音不正常 | 1. 铁芯迭片中缺片或多片 2. 铁芯气道内或夹件下面有未夹紧的自由端 3. 铁芯紧固件松动 | 1. 应补片或抽片确保铁芯夹紧 2. 将自由端用绝缘件塞紧压住 3. 检查紧固件并予以紧固 |
2.线圈 | |||
1. 一次电流略增高 2. 各相直流电阻不平衡 3.故障严重时,差动保护动作,如在供电测装有过电流保护装置,也动作 | 匝间短路 | 1由于自然损坏,散热不良,或长期过负载,使匝间绝缘老化。 2由于变压器短路或其他故障,使线圈振动与变形,损伤匝间绝缘 3线圈绕制时未发现的缺陷 | 1外观检查 2测直流电阻 |
断线处发生电弧 | 线圈断线 | 由于连接不良或短路应力使引线断裂;导线内部焊接不良,匝间短路,使线匝烧断。 | 如线圈为三角形接法,可用电流表检查线圈的相电流或测直流电阻,如线圈为星形接法可用1000伏兆欧表检查 |
闪络;闪点 | 对地击穿 | 1. 主绝缘因老化而有破裂,折断或缺陷。 2. 线圈内部有杂物落入。 3. 过电压作用。 4. 短路时线圈变形,损坏。 | 1. 用兆欧表测线圈对地绝缘电阻 2. 外观检查 |
八、保养、维修
1、 对变压器进行维护时,应遵守安全规程,必须把变压器与高低压电网断开。
2、 变压器的维护工作主要是除尘,尤其是除去气道中间的灰尘污垢,以防碍冷却的效果和降低绝缘性能。操作人员可按下列顺序进行维护:
2.1 对线圈、引线及温控装置、风机进行全面的外观检查。
2.2 可用吸尘器、干燥的压缩空气进行除尘。绝缘子、端子板及其它绝缘零件的表面,应用干布擦净。
2.3 检查所有温控仪表的线路是否正常。
2.4 按常规测量绝缘电阻,并记录数值。
2.5 按有关的安装使用说明书对辅助装置进行维护、维修。
2.6 检查电力线路的联结是否紧固,避免因接头松驰而引起导体过热而发生事故。
3、用户根据运行场所的污染程度,制定定期维护制度,及时清除变压器上的积尘,防止因积尘过多引起的事故。
九、运输、储存
产品应保存在空气流通、没有雨水浸入,相对湿度不超过95%(+25℃)、温度不高于+40℃、不低于-20℃、没有腐蚀性气体的环境中,产品箱体下部设有四个大吊环,为起吊总体用,必须同时使用,端盖或顶盖上部小吊环是为在装配和检修时起吊端盖或顶盖之用。干式变压器在运输时应防止剧烈的震动和颠簸,运输和储存时都要防止雨淋和受潮。
十、开箱检查
1、干式变压器开箱时,应按说明书《随机文件明细表》核对产品规格型号是否符合合同要求,随机文件是否齐全。
2、检查箱壳、零部件、视窗等有无受损地方。符合GB3836.1-2010爆炸性气体环境用电气设备第1部分:通用要求和GB3836.2-2010爆炸性气体环境用电气设备 第2部分: 隔爆型“d”的有关规定。
3、所有操作机构应灵活,所有紧固件应无松动现象。
4、外观检查后,进行电气性能验收试验,试验结果应符合产品技术条件。
十一、 警示句
在未设有电气联锁装置的门上,设置“严禁带电开盖!”警告标志牌,使用者一定要按标示牌操作,严禁带电开门,避免误操作。
十二、售后服务
在安装和使用过程中出现异常问题或技术咨询,请与我公司售后服务部门联系,联系电话:0577-61615222。





打印当前页
放入收藏夹


